您好!欢迎光临天津德塔线缆有限公司
天津德塔线缆有限公司
联系我们
天津德塔线缆有限公司
联系人:杨总
电话:022 2697 0774
地址:天津市武清开发区福源道21号D号厂房101室。
当前位置:首页 > 产品中心 > 控制电缆

控制电缆

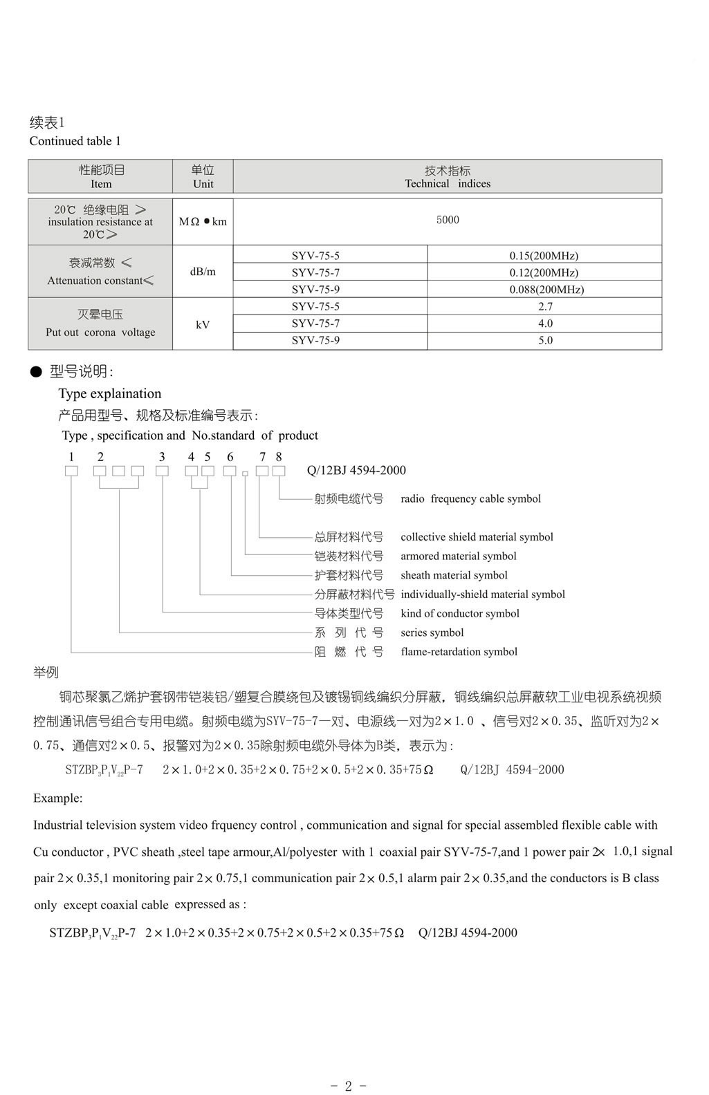
工业电视系统视频控制通讯信号组合专用电缆

产品描述:
服务热线:022 2697 0774
立即咨询


标签:全部
网友评论

管理员

该内容暂无评论

匿名网友
022 2697 0774